- Ürün Özellikleri
- Ödeme Seçenekleri
- Yorumlar (0)
-
Direct Drive Lineer Motor Kiti 1500mm (xArm 6 Uyumlu Doğrusal Kızak)
Ufactory Direct Drive Lineer Motor Kiti, xArm kolaboratif (cobot- işbirlikçi robot) robot kolun doğrusal bir eksen üzerinde ileri geri hareket etmesini sağlayan bir slider kitidir(lineer kızak). xArm robotlar için bir doğrultuda kılavuz görevi görür, robotun çalışma alanını oldukça genişletir. Fabrika robotik otomasyon sistemlerinde konvyör yapıları ile de kombine edilebilir. Lineer motor kit sadece AC Control Box Pro ile uyumludur.
Direct-Drive Lineer Motor, uFactory tarafından piyasaya sürülen ilk lineer aktüatördür. İleri teknoloji direct drive lineer motor, xArm'ın çalışma aralığını daha da genişlemesini sağlar. Ufactory robot kol teknolojisinin avantajlarından yararlanan lineer motor, xArm ile kolayca entegre edilebilir ve entegrasyonunuz için grafiksel bir programlama arayüzü de mevcuttur.
UFactory Lineer Motor, AC Control Box Pro ile birlikte kullanılmalıdır. Temel olarak hareketli parçaları (Robotik Kol) destekler ve verilen yöne göre sorunsuz bir şekilde hareket etmelerini sağlar, bu da xArm'ın çalışma aralığını önemli ölçüde artırır.
Lineer motor (slider)Üstteki sekilde görülen lineer motor yapısı, 1 -1000mm/s arası hız ve SN numarasına göre değişen hareket menzili (lineer motor strok) sağlar:
(SN - AL0700: 0 to 700(mm), SN - AL1000: 0 to 1000(mm), SN - AL1500: 0 to 1500(mm)
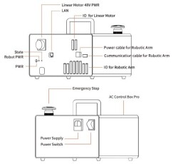
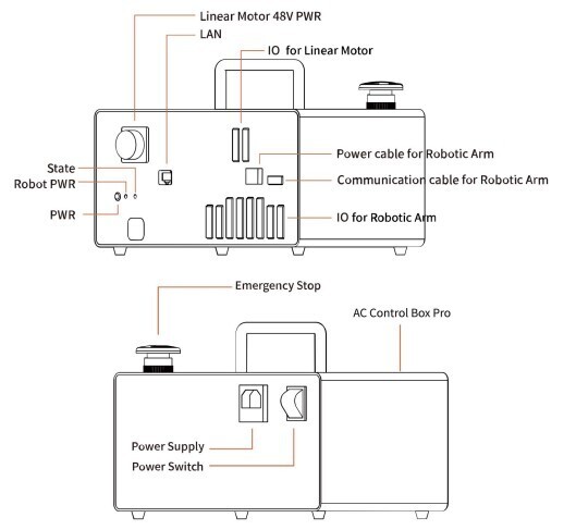
Kit için motor kontrolü sağlayan AC Kontrol Kutusu Pro ürününün işlevsel bölümleri:

Ufactory Direct Drive Lineer Motor Kiti Tipik bağlantı ve kullanım şekli:
Tipik BağlantıKargo İçeriği
o UFactory Lineer Motor *1 (Lineer Motor için Güç kablosu x1, Robotik Kol için Güç kablosu x1 ile brilikte)
o AC Kontrol Kutusu Pro x1
o AC Kontrol Kutusu Pro için güç kablosu x1
o Robotik Kol için iletişim kablosu x1
o Ethernet Kablosu x1
o Altıgen başlı civata M6*20 x28
o Altıgen başlı civata M5*12 x5
o 5MM L tipi anahtar x1
o 4MM L tipi anahtar x1
o Debugging aracı x1 (USB - 485 kablosu)
NOT: 6 Eksenli xArm 6 Robot Kol pakete dahil DEĞİLDİR! Robot kolununda dahil olduğu paket için TIKLAYINIZ
ÖZET
o sürekli kuvvet: 62N
o tepe kuvvet: 160N
o maksimum hız: 1000mm/s
o hareket menzili (strok): AL0700:0-700mm , AL1000:0-1000mm, AL1500:0-1500mm (bu ürün gönderilir)
o maksimum cisim ağırlığı: 200kg
o haberleşme arayüzü: RS-485
o haberleşme protokolü: Modbus-RTU
o programlanabilir tutuş özellikleri: pozsiyon, hız
o geri besleme: pozisyon
o ağırlık: AL0700:20kg , AL1000:24kg , AL1500:30.4kg (bu ürün gönderilir)
o boyutlar: AL0700: 1092.6x213x114.6mm, AL1000: 1382x214x115mm , AL1500: 1884.6x213x114.6mm (bu ürün gönderilir)
Bağlantılar
-
276.253,40 TL + KDV
-
289.264,04 TL + KDV
-
26.887,88 TL + KDV
-
662.223,13 TL + KDV
-
3.136,92 TL + KDV
-
1.486,80 TL + KDV
-
7.218,23 TL



Tipik Bağlantı